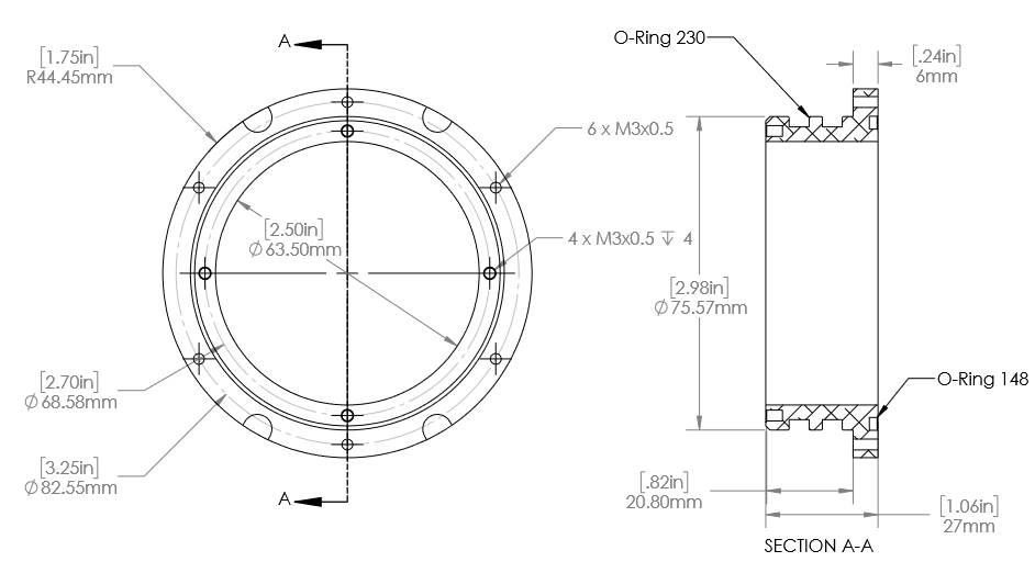
This flange has an O-ring seal that fits in the tube of the original Water Tight Enclosure for ROV/AUV (3″ Series). The modular design allows a variety of end-caps to be attached to the flange.
O-Ring Flange (3″ Series)
$9.00
This flange with an O-ring seal fits the tube for the non-locking version of the 3″ Watertight Enclosure. Comes with O-rings.
Please note! We no longer offer all of the associated tubes for these flanges, but can be sourced from ePlastics. All of these designs are open-source and licensed under the Creative Commons CC BY 4.0 license!
These flanges are not compatible with the locking series of these tubes.
In stock
Product Description
Product Description
This flange has an O-ring seal that fits in the tube of the original Water Tight Enclosure for ROV/AUV (3″ Series). The modular design allows a variety of end-caps to be attached to the flange.
- 1 x O-ring flange (3″ Series)
- 1 x Face O-ring (3″ Series)
- 2 x Radial O-ring (3″ Series)
- 1 x Single-use Packet of Molykote 111 Compound
Specifications
| Parameter | Value | |
|---|---|---|
| Material | Aluminum 6061-T6 | |
| Surface Finish | Hard Anodized Black | |
| Weight in Air | 105 g | 0.23 lb |
| Depth Rating | - | - |
2D Drawings
3D Models
WTE3-M-FLANGE-SEAL-R2 (.zip)
Revision History
23 February 2022
- Single-use packet of Molykote 111 included in contents
24 September 2015
- R1 – Initial Release
Guides

6″ and 8″ Series Non-Locking Watertight Enclosure (WTE) Assembly
Learn the basics of assembling a Non-Locking Watertight Enclosure (WTE)!

Using the Vacuum Plug and Hand Pump
Ensure the O-ring seals are good on our WTE with this quick test!







